
Ares V3 - a collaboration
Ares is an actively stabilized model rocket that acts as a stepping stone to more advanced rocketry. It uses thrust vector control to counteract wind and provide stability even at low speeds. I started this project with my friends Miles Krawitz (electronics geek) and Matthew Iannitelli (CAD dork) in 2022 and we had our first successful launch in 2024.
​​
​
​
​​
​
​​
​​
​
​
​
​
​
​
The thrust vector control mount uses two 9-gram servos to rotate an F-15-0 rocket motor ±5 degrees on two axes. To know which way to point the motor, and when, in order to keep the rocket on a vertical flight path, the rocket uses a Proportional-Derivative (PD) control algorithm whose gains are pre-tuned using a computer-based flight simulation. A custom circuit board with an Arduino Nano controls the TVC mount, ejects the parachute, and also does some less exciting tasks, like log flight data.
​
​
​
​​
​​
​
​
​​​​
​
​
The entire internal assembly is 3D-printed and modular, meaning it doesn't depend on its cardboard body tube for strength and is easily assembled and disassembled.
Check out this video for more details.



The Team:

Braxton Herold
mechanical CAD and physics nerd

Miles Krawitz
electronics geek

Matthew Iannitelli
CAD dork

01
The Thrust Vector Control (TVC) Mount
The TVC (latest version A5 'Compact') controls the rocket's thrust vector in the x and y axes with two servo motors. Despite being 3D-printed, it is surprisingly effective at bearing the thrust load and smoothly vectoring the motor.
02
The Algorithm
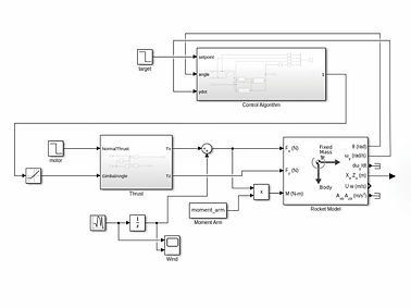
Ares runs on a Proportional-Derivative (PD) algorithm, which is good balance between simplicity and functionality for the application. A PD algorithm essentially aims to minimize the distance to the setpoint, while also minimizing the speed at which it approaches the setpoint. We simulated the algorithm in Matlab Simulink to tune the P and D gains.

04
The Code
The code controls what the flight computer does. Its main job is to apply the control algorithm to the TVC mount so the rocket can actively stabilize. However, it also does all the other flight tasks like ejecting the parachute at apogee (or emergency) and logging flight data.

03
The Flight Computer
The Circle 10.0 flight computer is what controls all the on-board electronics. It runs on an Arduino Nano that takes sensor input from a gyro/accelerometer (model MPU_6050) and barometer (model BMP_280). The PCB can control two servos and two pyro charges. To log data, it has a micro SD-card module.
_JPG.jpg)

05
The Parachute Ejection System
The parachute ejection system has to be able to reliably deploy the rocket's parachute, while being as small and lightweight as possible. We went through three main types of ejection systems: motor delay charge ejection, micro rocket motor powered ejection, and black powder ejection.




